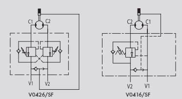
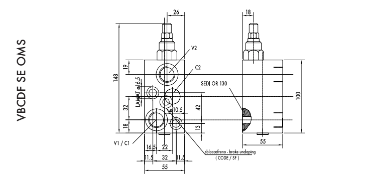
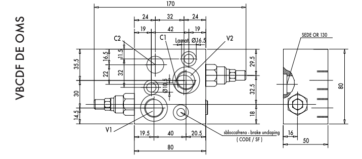
Тормозной клапан фланцевого монтажа на мотор типа OMS с разблокировкой тормоза и без тип VBCDF DE(SE) OMS
350 бар, 50 л/мин
открытый центр

Уплотнение Buna N
Герметичность: незначительные утечки
Стандартная установка: 320 бар.
Индекс "SF" в обозначении указывает на наличие линии разблокировки гидравлического тормоза.

Характеристики перепада давления от расхода

Технические данные:
| КОД | ТИП | соотношение площадей | Макс.расход, л/мин | Макс.давление, бар |
| V0416 | VBCDF 1/2" SE OMS | 1:4,5 | 50 | 350 |
| V0416/SF | VBCDF 1/2" SE OMS SF | 1:4,5 | 50 | 350 |
| V0426 | VBCDF 1/2" DEOMS | 1:4,5 | 50 | 350 |
| V0426/SF | VBCDF 1/2" DE OMS SF | 1:4,5 | 50 | 350 |


| КОД | ТИП | VI -V2 | C1-C2 | МАССА |
| GAS | mm | Kg | ||
| V0416 | VBCDF 1/2" SE OMS | G 1/2" | 09 | 1 700 |
| V0416/SF | VBCDF 1/2" SE OMS SF | G 1/2" | 09 | 1 700 |
| V0426 | VBCDF 1/2" DE OMS | G 1/2" | 09 | 2 150 |
| V0426/SF | VBCDF 1/2" DE OMS SF | G 1/2" | 09 | 2 150 |
производитель
Oleodinamica Marchesini



