Клапан контрбаланса (тормозной клапан) двойного действия с банджо болтом тип VBCD DE FLV
320 бар, до 60 л/мин
открытый центр

Клапан позволяет сохранить постоянную скорость опускания груза и предотвращает кавитацию.
Применяется на автовышках, кранах, и других подъемных механизмах, где возникает нагрузка попутная движению гидропривода.

Корпус: сталь с цинковым покрытием.
Уплотнение Buna N
Герметичность: незначительные утечки
Стандартная установка: 320 бар.
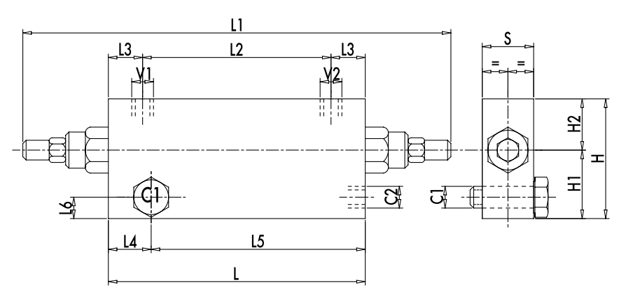
Подключение:
Соедините V1 и V2 c гидрораспределителем, фланец С1 и С2 напрямую к гидроцилиндру (мотору)
| КОД | ТИП | соотношение площадей | расход, л/мин | давление макс., бар |
| V0422/FLV | VBCD 3/8" DE/A FLV | 1:4,5 | 40 | 350 |
| V0432/FLV | VBCD 1/2" DE/A FLV | 1:4,5 | 60 | 350 |
Перепад давления на клапане в зависимости от расхода.

Размеры:

| КОД | ТИП | VI - V2 Cl -C2 | L | LI | L2 | L3 | L4 | L5 | L6 | HI | H2 | H | S | Масса |
| GAS | mm | mm | mm | mm | mm | mm | mm | mm | mm | mm | mm | kg | ||
| V0422/FLV | VBCD 3/8" DE/A FLV | G 3/8" | 150 | 250 | no | 20 | 22 | 128 | 17 | 44 | 26 | 70 | 30 | 2,41 |
| V0432/FLV | VBCD1/2" DE/A FLV | G 1/2" | 150 | 250 | no | 20 | 24 | 126 | 19 | 50 | 30 | 80 | 30 | 2,70 |
VBCD 3/8 DE /FL
производитель
Oleodinamica Marchesini
Тормозные клапаны фланцевые двухстороннего действия VBCD DE FLV
|
|



