Тормозной клапан двусторонний линейный тип A VBCD DE A
350 бар, 160 л/мин
открытый центр

Корпус: сталь с цинковым покрытием.
Уплотнение Buna N
Герметичность: незначительные утечки
Стандартная установка: 320 бар.

Подключение:
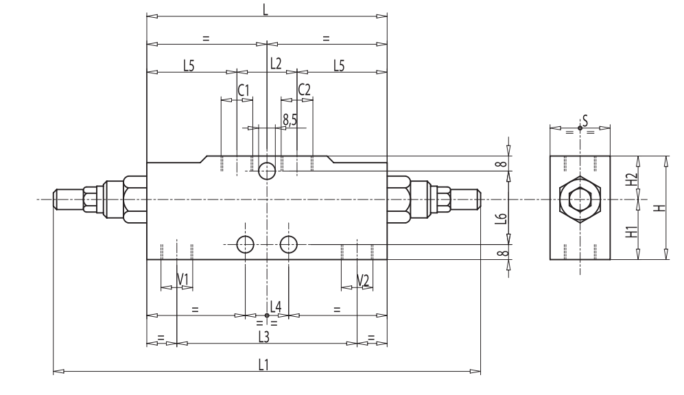
Соедините V1 и V2 c гидрораспределителем, С1 и С2 к порту гидроцилиндра.
Перепад давления на клапане в зависимости от расхода.

| Код | Тип | отношение площадей | Макс расход, л/мин | макс. давление, бар |
| V0418 | VBCD 1/4" DE/A | 1:4,5 | 20 | 350 |
| V0422 | VBCD 3/8" DE/A | 1:4,5 | 40 | 350 |
| V0432 | VBCD 1/2" DE/A | 1:4,5 | 60 | 350 |
| V0435 | VBCD 3/4" DE/A | 1:5,5 | 95 | 350 |
| V0436 | VBCD 1" DE/A | 1:5,5 | 160 | 350 |

| КОД | ТИП | VI - V2 Cl -C2 GAS | L mm | Ll mm | L2 mm | L3 mm | L4 mm | L5 mm | L6 mm | HI mm | H2 mm | H mm | s mm | масса, кг |
| V0418 | VBCD 1/4" DE/A | G 1/4" | 150 | 248 | 50 | 110 | 30 | 50 | 44 | 32 | 28 | 60 | 30 | 1,968 |
| V0422 | VBCD 3/8" DE/A | G 3/8" | 150 | 248 | 50 | 110 | 30 | 50 | 44 | 32 | 28 | 60 | 30 | 1,944 |
| V0432 | VBCD 1/2" DE/A | G 1/2" | 150 | 248 | 50 | 110 | 30 | 50 | 44 | 32 | 28 | 60 | 30 | 1,886 |
| V0435 | VBCD 3/4" DE/A | G 3/4" | 190 | 304 | 65 | 143 | 44 | 62,5 | 64 | 40 | 40 | 80 | 35 | 3,820 |
| V0436 | VBCD 1" DE/A | G 1" | 210 | 319 | 66 | 158 | 190 | 72 | / | 45 | 45 | 90 | 50 | 7,120 |
производитель
Oleodinamica Marchesini
Тормозные клапаны двухстороннего действия VBCD DE типа А
|
|



