Тормозной клапан двойной линейный VBCD DE
350 бар, 100 л/мин
открытый центр

Уплотнение Buna N
Герметичность: незначительные утечки
Стандартная установка: 320 бар.

Подключение:
Соедините V1 и V2 c гидрораспределителем, С1 и С2 к портам гидроцилиндра.
Характеристики перепада давления от расхода

Технические данные:
| Код | Тип | соотношение площадей | Макс. расход л/мин | Макс. давление, бар |
| V0420 | VBCD 3/8" DE | 1:3,1 | 35 | 350 |
| V0420/RP18 | VBCD3/8" DE RP 1:8 | 1:8 | 35 | 350 |
| V0430 | VBCD 1/2" DE | 1:3,1 | 50 | 350 |
| V0430/RP18 | VBCD 1/2" DE RP 1:8 | 1:8 | 50 | 350 |
| V0431 | VBCD 3/4" DE | 1:5,5 | 105 | 350 |
| V0431/RP18 | VBCD 3/4" DE RP 1:8 | 1:8 | 105 | 350 |

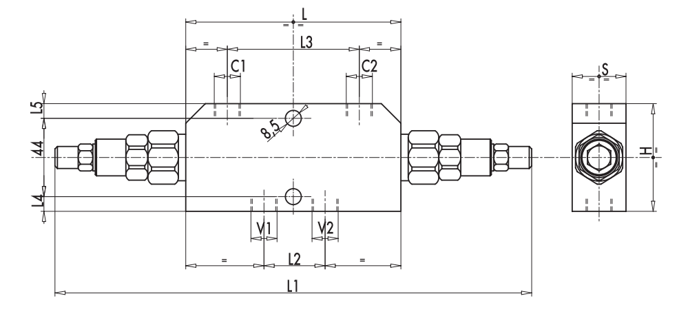
| Код | Тип | VI -V2 Cl -C2 GAS | L mm | Ll mm | L2 mm | L3 mm | L4 mm | L5 mm | H mm | s mm | Масса, кг |
| V0420 | VBCD 3/8" DE | G 3/8" | 120 | 264 | 34 | 73 | 8 | 8 | 60 | 30 | 1 724 |
| V0420/RP18 | VBCD3/8" DE RP 1:8 | G 3/8" | 120 | 264 | 34 | 73 | 8 | 8 | 60 | 30 | 1 724 |
| V0430 | VBCD 1/2" DE | G 1/2" | 120 | 264 | 36 | 73 | 8 | 8 | 60 | 30 | 1 688 |
| V0430/RP18 | VBCD 1/2" DE RP 1:8 | G 1/2" | 120 | 264 | 36 | 73 | 8 | 8 | 60 | 30 | 1 688 |
| V0431 | VBCD 3/4" DE | G 3/4" | 152 | 296 | 58 | 106 | 15 | 21 | 80 | 35 | 3 000 |
| V0431/RP18 | VBCD 3/4" DE RP 1:8 | G 3/4" | 152 | 296 | 58 | 106 | 15 | 21 | 80 | 35 | 3 000 |
производитель
Oleodinamica Marchesini
Тормозные клапаны двухстороннего действия VBCD DE
|
|



