Тормозной клапан двойной линейный VBCD DE CC
350 бар, 100 л/мин
закрытый центр

Уплотнение Buna N
Герметичность: незначительные утечки
Стандартная установка: 320 бар.

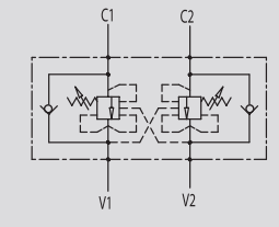
Подключение:
Соедините V1 и V2 c гидрораспределителем, С1 и С2 к портам гидроцилиндра.
Характеристики перепада давления от расхода

Технические данные:

| КОД | ТИП | VI -V2 Cl -C2 GAS | L mm | Ll mm | L2 mm | L3 mm | L4 mm | L5 mm | H mm | s mm | Масс, кг |
| V0441 | VBCD 3/8" DE CC | G 3/8" | 120 | 288 | 34 | 73 | 8 | 8 | 60 | 30 | 1,90 |
| V0441/RP18 VBCD 3/8" DECCRP 1:8 | G 3/8" | 120 | 288 | 34 | 73 | 8 | 8 | 60 | 30 | 1,90 | |
| V0442 | VBCD 1/2" DECC | G 1/2" | 120 | 288 | 36 | 73 | 8 | 8 | 60 | 30 | 1,85 |
| V0442/RP18 VBCD1/2"DECCRP1:8 | G 1/2" | 120 | 288 | 36 | 73 | 8 | 8 | 60 | 30 | 1,85 | |
| V0443 | VBCD 3/4" DE CC | G 3/4" | 152 | 320 | 58 | 106 | 15 | 21 | 80 | 35 | 3,10 |
| V0443/RP18 | VBCD 3/4" DECC RP 1:8 | G 3/4" | 152 | 320 | 58 | 106 | 15 | 21 | 80 | 35 | 3,10 |
производитель
Oleodinamica Marchesini
Тормозные клапаны двухстороннего действия для закрытого центра VBCD DE CC
|
|



