Клапан контрбаланса двойного действия стыковый тип VBCD DE FL
320 бар, до 60 л/мин
открытый центр

Клапан позволяет сохранить постоянную скорость опускания груза и предотвращает кавитацию.
Применяется на автовышках, кранах, и других подъемных механизмах, где возникает нагрузка попутная движению гидропривода.
Аналог H3061N103S0300

Корпус: сталь с цинковым покрытием.
Уплотнение Buna N
Герметичность: незначительные утечки
Стандартная установка: 320 бар.
Подключение:
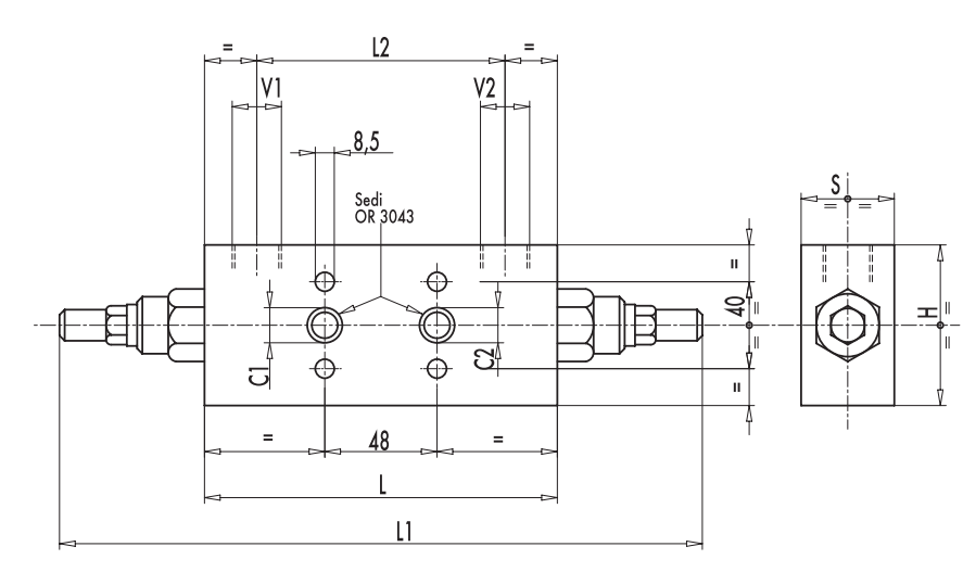
Соедините V1 и V2 c гидрораспределителем, фланец С1 и С2 напрямую к гидроцилиндру (мотору)
| КОД | ТИП | соотношение площадей | расход, л/мин | Макс. давление, бар |
| V0424 | VBCD 3/8" DE/FL | 1:4,5 | 40 | 350 |
| V0434 | VBCD 1/2" DE/FL | 1:4,5 | 60 | 350 |
Перепад давления на клапане в зависимости от расхода.

Размеры:

| КОД | ТИП | VI - V2 | Cl -C2 | L | LI | L2 | H | s | Масса |
| GAS | mm | mm | mm | mm | mm | mm | kg | ||
| V0424 | VBCD 3/8" DE/FL | G 3/8" | 09 | 150 | 248 | no | 60 | 30 | 2,01 |
| V0434 | VBCD 1/2" DE/FL | G 1/2" | 09 | 150 | 248 | no | 60 | 30 | 1,98 |
Стыковая поверхность, размеры

производитель
Oleodinamica Marchesini
Тормозные клапаны фланцевые двухстороннего действия VBCD DE FL
|
|



