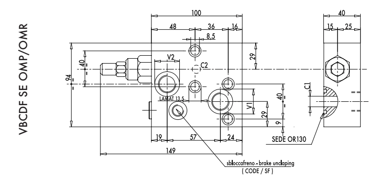
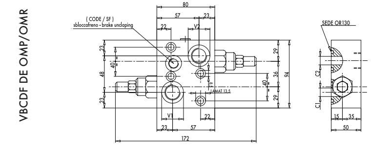
Тормозной клапан фланцевого монтажа на мотор типа OMP/OMR с разблокировкой тормоза и без тип VBCDF DE(SE) OMP/OMR
350 бар, 50 л/мин
открытый центр

Уплотнение Buna N
Герметичность: незначительные утечки
Стандартная установка: 320 бар.
Индекс "SF" в обозначении указывает на наличие линии разблокировки гидравлического тормоза.

Характеристики перепада давления от расхода

Технические данные:
| КОД | ТИП | соотношение площадей | Макс.расход, л/мин | Макс.давление, бар | 
| V0415 | VBCDF 1/2" SE OMP-OMR | 1:4,5 | 50 | 350 | 
| V0415/SF | VBCDF 1/2" SE OMP-OMR SF | 1:4,5 | 50 | 350 | 
| V0425 | VBCDF 1/2" DE OMP-OMR | 1:4,5 | 50 | 350 | 
| V0425/SF | VBCDF 1/2" DE OMP-OMR SF | 1:4,5 | 50 | 350 | 


| КОД | ТИП | VI - V2 GAS | C1-C2 mm | Масса. кг | 
| V0415 | VBCDF 1/2" SE OMP-OMR | G 1/2" | 09 | 2,686 | 
| Y0415/SF | VBCDF 1/2" SE OMP-OMR SF | G 1/2" | 09 | 2,686 | 
| V0425 | VBCDF 1/2" DE OMP-OMR | G 1/2" | 09 | 2,708 | 
| V0425/SF | VBCDF 1/2" DE OMP-OMR SF | G 1/2" | 09 | 2,708 | 
производитель
Oleodinamica Marchesini
Тормозные клапаны двухсторонние фланцевые на моторы DANFOSS OMP/OMR VBCDF
|   | 
 
 | 



 
			 
			 
			 
			 
			 
		

 
    		







