Тормозной клапан двусторонний линейный тип A VBCD DE A CC
350 бар, 160 л/мин
закрытый центр

Корпус: сталь с цинковым покрытием.
Уплотнение Buna N
Герметичность: незначительные утечки
Стандартная установка: 320 бар.

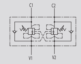
Подключение:
Соедините V1 и V2 c гидрораспределителем, С1 и С2 к порту гидроцилиндра.
| КОД | ТИП | оотношение площадей | Макс.расход, л/мин | Макс.давление, бар. |
| V0441 | VBCD 3/8" DE CC | 1:3,1 | 35 | 350 |
| V0441/RP18 | VBCD 3/8" DE CC RP 1:8 | 1:8 | 35 | 350 |
| V0442 | VBCD 1/2" DE CC | 1:3,1 | 50 | 350 |
| V0442/RP18 | VBCD 1/2" DE CC RP 1:8 | 1:8 | 50 | 350 |
| V0443 | VBCD 3/4" DE CC | 1:5,5 | 105 | 350 |
| V0443/RP18 | VBCD 3/4" DE CC RP 1:8 | 1:8 | 105 | 350 |
Перепад давления на клапане в зависимости от расхода.


| КОД | ТИП | VI -V2 Cl -C2 GAS | L mm | Ll mm | L2 mm | L3 mm | L4 mm | L5 mm | H mm | s mm | Масса, кг |
| V0441 | VBCD 3/8" DE CC | G 3/8" | 120 | 288 | 34 | 73 | 8 | 8 | 60 | 30 | 1,90 |
| V0441/RP18 VBCD 3/8" DE CC RP 1:8 | G 3/8" | 120 | 288 | 34 | 73 | 8 | 8 | 60 | 30 | 1,90 | |
| V0442 | VBCD 1/2" DE CC | G 1/2" | 120 | 288 | 36 | 73 | 8 | 8 | 60 | 30 | 1,85 |
| V0442/RP18 VBCD 1/2" DECCRP 1:8 | G 1/2" | 120 | 288 | 36 | 73 | 8 | 8 | 60 | 30 | 1,85 | |
| V0443 | VBCD 3/4" DE CC | G 3/4" | 152 | 320 | 58 | 106 | 15 | 21 | 80 | 35 | 3,10 |
| V0443/RP18 | VBCD 3/4" DE CC RP 1:8 | G 3/4" | 152 | 320 | 58 | 106 | 15 | 21 | 80 | 35 | 3,10 |
производитель
Oleodinamica Marchesini



