Перекрестный предохранительный клапан с антикавитацией тип VAUAC
350 бар, 110 л/мин
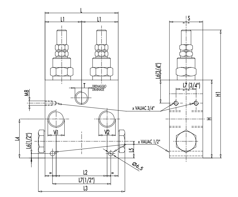
Клапан линейного монтажа с дополнительными антикавитационными клапанами и дренажной линией.Корпус: сталь с цинковым покрытием, Алюминий (для клапана 3/4")
Уплотнение Buna N
Герметичность: незначительные утечки

График перепада давления от расхода

| КОД | ТИП | Макс. расход, л/мин | Давление макс., бар |
| V0507 | VAUAC 1/2" | 45 | 350 |
| V0508 | VAUAC 1/2" | 70 | 350 |
| V0510 | VAUAC 3/4" | 110 | 350 |

| КОД | ТИП | V1-V2 | T | L | Ll | L2 | L3 | u | L5 | L6 | L 7 | H | HI | s | Масса |
| GAS | GAS | mm | mm | mm | mm | mm | mm | mm | mm | mm | mm | mm | Kg | ||
| V0507 | VAUAC 3/8" | G 3/8" | G 3/8" | 100 | 50 | 64 | / | 19 | 37 | 10 | 0 | 55 | 122 | 50 | 1,989 |
| V0508 | VAUAC 1/2" | G 1/2" | G 1/2" | 80 | 40 | 42 | 102 | 48 | 24 | 8 | 50 | 112 | 174 | 35 | 2,254 |
| V0510 | VAUAC 3/4" | G 3/4" | G 1/2" | 110 | 55 | 64 | 132 | 58 | 23 | 36 | 38 | 120 | 182 | 50 | 2,534 |
Диапазоны настройки для клапанов VAUAC 3/8"-1/2":
| диапазон настройки давления, бар | чувствительнось, изменение настройки за 1 оборот, бар/об. | Предустановка, бар | |
| 20 - 200 | 30 | 90 | |
| 50-400 стандарт | 50 | 150 |
Диапазоны настройки для клапанов VAUAC 3/4":
| диапазон настройки давления, бар | чувствительнось, изменение настройки за 1 оборот, бар/об. | Предустановка, бар | |
| 20 - 200 | 40 | 160 | |
| 50-400 стандарт | 80 | 180 |
Тип регулировки
| КОД/V | Маховичок |
| КОД/PP | винт |
| КОД/PP | винт с колпачком |
производитель
Oleodinamica Marchesini
Сдвоенный предохранительный клапан VAUAC
![]() |
|




