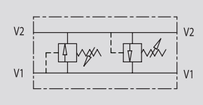
Линейный перекрестный предохранительный клапан тип VAU
350 бар, 110 л/мин

Корпус: сталь с цинковым покрытием.
Уплотнение Buna N
Герметичность: незначительные утечки

Подключение: подключите V1 и V2 к потоку давления и к приводу.
График перепада давления от расхода

| КОД | ТИП | макс. расход, л/мин |
| V0438 | VAU 1/4" | 30 |
| V0440 | VAU 3/8" | 45 |
| V0450 | VAU 1/2" | 70 |
| V0460 | VAU 3/4" | 110 |

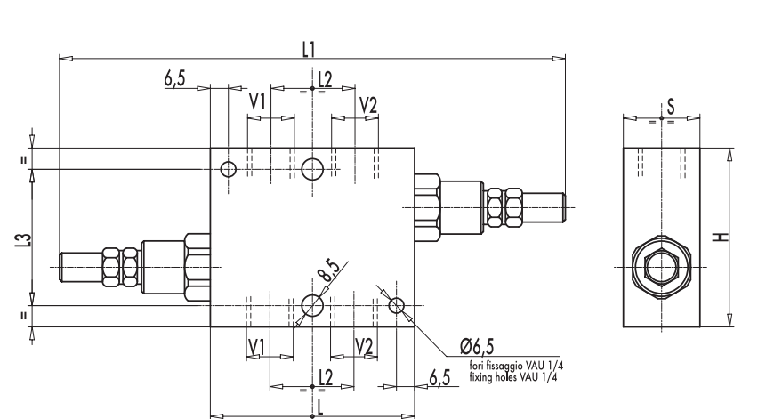
| КОД | ТИП | VI -V2 GAS | L mm | Ll mm | L2 mm | L3 mm | H mm | s mm | Масса |
| V0438 | VAU 1/4" | G 1/4" | 60 | 156 | 26 | 54 | 70 | 30 | 0,988 |
| V0440 | VAU 3/8" | G 3/8" | 80 | 176 | 33 | 54 | 70 | 30 | 1,208 |
| V0450 | VAU 1/2" | G 1/2" | 80 | 200 | 38 | 54 | 70 | 30 | 1,15 |
| V0460 | VAU 3/4" | G 3/4" | 95 | 215 | 44 | 54 | 80 | 35 | 1,68 |
Пружины
| Диапазон настройки, бар | чувствительность настройки бар/оборот Q- 4l/min | Предустановка, бар |
| 10-50* | 7 | 30 |
| 20-100 | 12 | 75 |
| 10- 180 standard | 30 | 90 |
| 50-250 | 45 | 130 |
| 80 - 300 | 50 | 150 |
* для давления менее 70 бар Q= 12 л/мин
Тип регулировки
| КОД/V | Маховичок |
| КОД/PP | винт |
| КОД/PP | винт с колпачком |
производитель
Oleodinamica Marchesini
Моторный предохранительный клапан VAU
![]() |
|




