Линейный предохранительный клапан VMP L D5
90 л/мин 350 бар

Корпус: сталь с цинковым покрытием.
Уплотнение Buna N
Герметичность: незначительные утечки

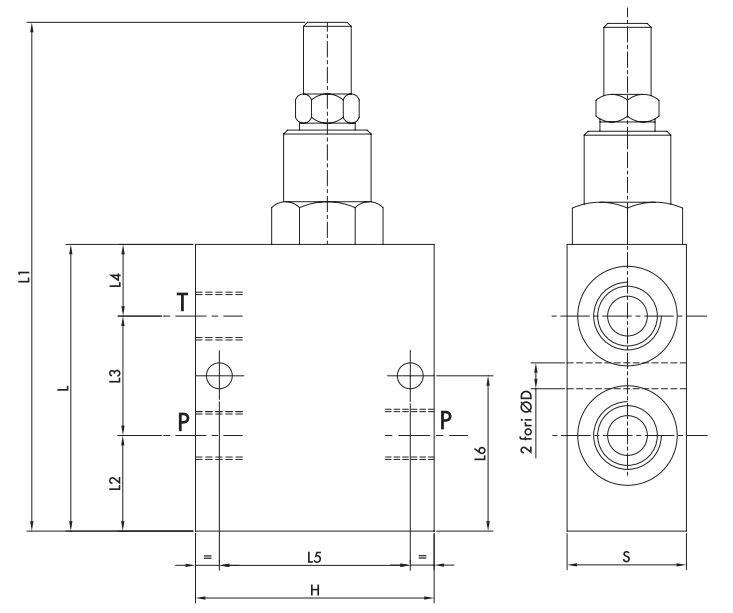
Подключение: соединить порт Р с давлением, порт Т с баком. Порт P реверсивный.
График перепада давления от расхода

| КОД | ТИП | Макс. расход, л/мин |
| Y0691/000* | VMP/L/D5 3/8" | 45 |
| Y0692/000* | VMP/L/D5 1/2" | 70 |
| Y0693/000* | VMP/L/D5 3/4" | 90 |
*000 - указать диапазон настройки

| КОД | ТИП | P-T GAS | 0D mm | L mm | Ll mm | L2 mm | L3 mm | U mm | 15 mm | L6 mm | H mm | s mm | Масса, кг |
| Y0691/000* | VMP/L/D5 3/8" | G 3/8" | 6,5 | 72 | 126 | 24 | 31 | 17 | 48 | 40 | 60 | 30 | 0,922 |
| Y0692/000* | VMP/L/D5 1/2" | G 1/2" | 6,5 | 72 | 126 | 22 | 35 | 15 | 48 | 40 | 60 | 30 | 0,870 |
| V0693/000* | VMP/L/D5 3/4" | G 3/4" | 8,5 | 100 | 154 | 32 | 44 | 24 | 54 | 54 | 70 | 40 | 1,812 |
Пружины
| Диапазон настройки, бар | чувствительность настройки бар/оборот Q- 4l/min | Предустановка, бар |
| 10-50* | 7 | 30 |
| 20-100 | 12 | 75 |
| 10- 180 standard | 30 | 90 |
| 50-250 | 45 | 130 |
| 80 - 300 | 50 | 150 |
* для давления менее 70 бар Q= 12 л/мин
Тип регулировки
| КОД/V | Маховичок |
| КОД/PP | винт |
| КОД/PP | винт с колпачком |
производитель
Oleodinamica Marchesini



