Клапан гидравлический "или" тип VU2P
450 бар, 150 л/мин

Корпус: сталь с цинковым покрытием.
Уплотнение Buna N
Запорный элемент: шарик

Зависимость перепада давления от расхода

| Код | ТИП | Макс. расход, л/мин | Макс. давление, бар |
| V0666 | VU2P 1/4" | 30 | 450 |
| V0668 | VU2P3/8" | 45 | 450 |
| Y0670 | VU2P 1/2" | 70 | 450 |
| V0680 | VU2P3/4" | 110 | 350 |
| V0685 | VU2P 1" | 150 | 300 |

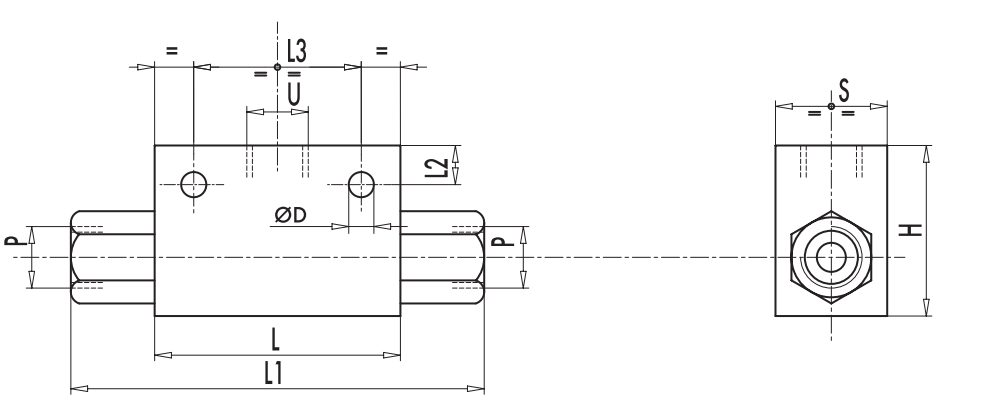
| КОД | ТИП | U-P GAS | L mm | Ll mm | L2 mm | L3 mm | H mm | S mm | 0D mm | Масса, кг |
| V0666 | VU2P 1/4" | Gl/4" | 60 | 104 | 9 | 44 | 40 | 30 | 8,5 | 0,560 |
| V0668 | VU2P3/8" | G3/8" | 60 | 104 | 9 | 44 | 40 | 30 | 8,5 | 0,530 |
| V0670 | VU2P 1/2" | Gl/2" | 60 | 104 | 12 | 44 | 50 | 30 | 8,5 | 0,652 |
| V0680 | VU2P3/4" | G3/4" | 80 | 127 | 12 | 44 | 58 | 35 | 8,5 | 1,086 |
| V0685 | VU2P 1" | Gl" | 80 | 126 | 11 | 60 | 80 | 50 | 10,5 | 1,870 |
производитель
Oleodinamica Marchesini
Клапаны типа "ИЛИ" VU2P
![]() |
|




