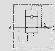
Клапан обрыва рукава с внешней настройкой тип VUBR
300 бар, 70 л/мин

Уплотнение Buna N

Подключение: от V к линии давления, С к цилиндру, настройте расход (1 оборот=15 литров) и законтрите гайкой, что бы избежать утечек.
Зависимость перепада давления от расхода

| КОД | ТИП | Макс. расход, л/мин | Давление макс., бар |
| V0785 | VUBR 3/8" | 40 | 300 |
| V0795 | VUBR 1/2" | 70 | 300 |

| КОД | ТИП | V-C | L | Ll | L2 | L3 | H | S | Масса |
| GAS | mm | mm | mm | mm | mm | mm | kg | ||
| V0785 | VUBR 3/8" | G3/8" | 76 | 93 | 47 | 16 | 40 | 30 | 0,634 |
| V0795 | VUBR 1/2" | Gl/2" | 76 | 93 | 47 | 16 | 40 | 30 | 0,586 |
производитель
Oleodinamica Marchesini
Клапан ограничения расхода с внешней настрокой VUBR
![]() |
|




