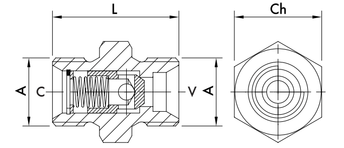
Клапан обратный линейный "папа-папа" тип VU MM
350 бар, 650 л/мин
наруж. BSP 60• - BSP 60•

Уплотнение Buna N
Утечки отсутствуют

Подключение: от V к C сободный поток, от С к V заперт
Зависимость перепада давления от расхода

| КОД | ТИП | Расход л/мин | Давление макс., бар |
| V0594/* | VU MM 1/4" | 8 | 350 |
| V0604/* | VU MM 3/8" | 20 | 350 |
| Y0614/* | VU MM 1/2" | 50 | 350 |
| V0624/* | VU MM 3/4" | 90 | 350 |
| V0634/* | VU MM 1" | 90 | 320 |
| V0637/* | VU MM 1" 1/4 | 250 | 320 |
| V0638/* | VU MM 1" 1/2 | 300 | 320 |
| V0639/* | VU MM 2 | 650 | 320 |
* укажите давление открытия клапана, см. таблицу ниже

Давление открытия клапана
| КОД | 1 бар | 3 Bar | 6 Bar | 9 Bar |
| VU MM 1/4" | V0594/1 | V0594/3 | V0594/6 | / |
| VU MM 3/8" | V0604/1 | V0604/3 | V0594/6 | / |
| VU MM 1/2" | V0614/1 | V0614/3 | V0614/6 | / |
| VU MM 3/4" | V0624/1 | V0624/3 | V0624/6 | / |
| VU MM 1" | V0634/1 | / | V0634/6 | V0634/9 |
| VU MM 1" 1/4 | V0637/1 | / | V0637/6 | V0637/9 |
| VU MM 1" 1/2 | V0638/1 | / | V0638/6 | V0638/9 |
| VU MM 2" | V0639/1 | / | V0639/6 | V0639/9 |
| КОД | ТИП | A mm | L mm | ch mm | Масса, кг |
| V0594/* | VU MM 1/4" | 1/4" | 32 | 19 | 0,033 |
| Y0604/* | VU MM 3/8" | 3/8" | 34 | 22 | 0,052 |
| Y0614/* | VU MM 1/2" | 1/2" | 39 | 27 | 0,092 |
| Y0624/* | VU MM 3/4" | 3/4" | 45 | 32 | 0,142 |
| Y0634/* | VU MM 1" | 1" | 55 | 40 | 0,288 |
| Y0637/* | VU MM 1" 1/4 | 1" 1/4 | 70 | 50 | 0,594 |
| Y0638/* | VU MM 1" 1/2 | 1" 1/2 | 86 | 55 | 0,91 |
| Y0639/* | VU MM 2 | 2" | 102 | 70 | 1,8 |
производитель
Oleodinamica Marchesini



