Клапан обрыва рукава тип VUBA DIN
300 бар, 80 л/мин

Расход, при котором клапан закрывается может быть настроен. Предустановка должна быть в 1,5 раза больше расхода в системе. Также возможен вариант с отверстиями в запорном клапане для неполного перекрытия потока.
При заказе необходимо указать необходимый предустановленный расход в л/мин или зазор в мм.
Если нужно отверстие в клапане, то укажите его размер.
Корпус: сталь с цинковым покрытием.
Уплотнение Buna N
Зависимость перепада давления от расхода

| КОД | ТИП | Макс. расход, л/мин | макс. давление, бар |
| V0784 | VUBA 3/8" DINT10L | 50 | 350 |
| V0786 | VUBA 3/8" DINT12L | 50 | 350 |
| V0787 | VUBA 3/8" DIN T15L | 50 | 350 |
| V0794 | VUBA 1/2" DINT15L | 80 | 350 |

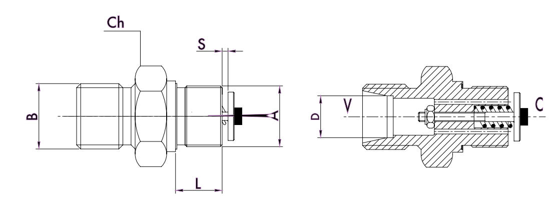
| КОД | ТИП | A | в | L | D | s | Ch | Масса |
| BSPP | mm | mm | mm | mm | mm | кг | ||
| V0784 | VUBA 3/8" DINT10L | 3/8" | M 16x1,5 | 11 | 10 | 1,2 | 22 | 0,042 |
| V0786 | VUBA 3/8" DINT12L | 3/8" | M18xl,5 | 11 | 12 | 1,2 | 22 | 0,044 |
| V0787 | VUBA 3/8" DIN T15L | 3/8" | M22xl,5 | 11 | 15 | 1,2 | 24 | 0,056 |
| V0794 | VUBA 1/2" DIN T15L | 1/2" | M22xl,5 | 13 | 15 | 1,6 | 27 | 0,074 |
производитель
Oleodinamica Marchesini
Картриджные клапаны противоразрывные VUBA
![]() |
|




